同步整流ic U7606開通關斷機制實現高效整流低損耗
同步整流ic的開通關斷機制核心依賴于漏源電壓的精確檢測,以實現高效整流并避免共通故障等風險。其電壓關系具體體現在開通和關斷閾值的設計上,確保MOSFET在適當時機導通或截止,從而取代傳統二極管以降低損耗。
同步整流ic U7606是一款高頻率、高性能、CCM同步整流開關,可以在GaN系統中替代肖特基整流二極管以提高系統效率。U7606內部集成有智能開通檢測功能,可以有效防止反激電路中由于寄生參數振蕩引起的同步整流開關誤開通,提高了系統效率及可靠性。
變壓器副邊續流階段開始時,同步整流內置MOSFET的溝道處于關閉狀態,副邊電流Is經MOSFET體二極管實現續流,同時在體二極管兩端形成一負向Vds電壓(<-500mV)。當負向Vds電壓小于同步整流ic U7606內置MOSFET開啟檢測閾值Vth_on(典型值-140mV),經過開通延遲Td_on (典型值20ns),內置MOSFET的溝道開通。
在同步整流內置MOSFET導通期間,同步整流ic U7606采樣MOSFET漏-源兩端電壓(Vds)。當Vds電壓高于MOSFET關斷閾值Vth_off(典型值 0mV),經過關斷延遲Td_off(典型值 15ns),內置MOSFET的溝道關斷。
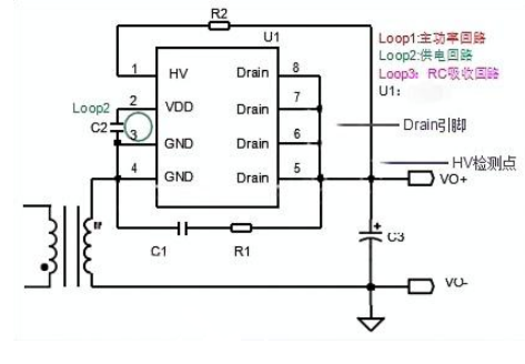
PCB設計對同步整流的性能會產生顯著影響,同步整流ic U7606設計同步整流電路時建議參考以下的內容。
1、副邊主功率回路 Loop1的面積盡可能小。
2、VDD 電容推薦使用1μF的貼片陶瓷電容,盡量緊靠IC,Loop2的面積盡可能小。
3、R1和C1構成同步整流開關的RC吸收電路,RC吸收回路 Loop3 的面積可能小。
同步整流ic U7606通過電壓閾值檢測和智能延時管理來優化性能,同時內置有VDD高壓供電模塊,無需輔助繞組供電可穩定工作,系統上支持High Side和Low Side配置,兼顧了系統性能和成本,以最大化電源轉換效率!
銀聯寶熱銷產品
相關公司新聞
- 銀聯寶氮化鎵電源芯片U872XAHE系列新成員——U8727AHE
- 同步整流ic U7606開通關斷機制實現高效整流低損耗
- 高功率密度PD快充芯片U8722SP快速安全散熱好
- 快充電源ic U8766集成完備保護功能 提升運行穩定性
- 電源ic U8726AHE集成高壓E-GaN和高壓啟動電路
- 氮化鎵電源ic U8732集成恒功率和軟啟動功能
- 峰值電流控制方式下的電源管理芯片U8621 設計簡化響應快速
- 5-24V適配器E-GaN電源應用方案:U8722DE+U7110W
- 5v2a小體積、高效率開關電源應用方案U7711C+U9513B
- 多模式高性能準諧振式原邊控制快充電源芯片U6218C








電 話:133-1680-5165 Q Q:1957650001
傳 真:0755-23086550 郵 箱:001@elanpo.com
地址:廣東省深圳市寶安區寶安大道4018號華豐國際商務大廈2501-2508
銀聯寶手機
招賢納士