如果全球統一充電接口是否可行呢?充電接口的統一,是否意味著我們可以用一個充電頭、一根充電線解決全部移動智能設備的快速充電?目前看還是很有難度的。由于各家充電器和充電線都是獨立研發,從充電技術到零部件都不一樣,因此各大手機品牌都推出了自家的私有協議,最終導致充電協議互不兼容。而手機充電器芯片卻可以通用的。今天就給小伙伴們介紹一款經典的12W充電器芯片U95153!
在12W充電器芯片U95153內部,輸出電壓通過FB管腳實時采樣并與欠壓保護閾值 (典型值 0.8V) 相比。當采樣到的FB電壓低于0.8V且持續時間超過38ms時,芯片將進入到短路保護模式和自動重啟模式。FB管腳的采樣電壓還會與過壓保護閾值(典型值1.56V)相比,當采樣到的FB電壓高于1.56V且持續超過3個周期時,芯片將進入到輸出過壓保護模式和自動重啟模式。
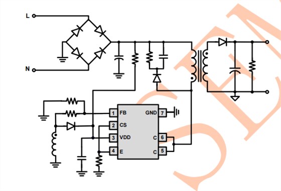
12W充電器芯片U95153腳位描述:
1 FB系統反饋管腳。輔助繞組電壓經電阻分壓后送至FB管腳,用于CV模式輸出電壓控制及CC模式輸出電流控制。
2 CS 電流采樣輸入腳。
3 VDD 芯片供電腳。
4 E 內置功率三極管發射極。
5-6 C 內置功率三極管集電極。
7 GND 芯片參考地。
在手機充電器的應用中,電池與充電器之間一般會通過一定長度的電纜相連,由此也將導致輸送到電池端的電壓產生一定的電壓降。在12W充電器芯片U95153內部存在由線損補償模塊控制的可調式電流源流出到與FB管腳相連的分壓電阻上并產生一定的電壓偏置信號。此電流正比于開關周期,而反比與輸出功率,所以在電纜上的電壓降可以被補償掉。隨著負載功率的降低,在FB上的偏置電壓將被提高。通過調節分壓電阻R1和R2的阻值可以調節實際補償量的大小。
12W充電器芯片U95153優化設計的動態響應性能,可滿足USB充電器的要求。當VDD電壓超過23.8V (典型值) 時,芯片立即停止開關動作。之后將導致VDD下降,當VDD電壓低于關斷電壓VDD_OFF (典型值 3.8V) 時,系統將重新啟動。在芯片內部設計有27.8V (典型值)的箝位電路以保護芯片受損。
深圳銀聯寶科技的12W充電器芯片U95153符合安規環保節能,具有體積小、效率高、兼容性好等優勢,被廣泛應用過,需要全套方案的小伙伴趕緊聯系400-778-5088!
