機頂盒和監控常用開關電源芯片U6217S,可根據客戶要求定制,專利EMI優化,六級能效,內置4A電流的場效應管,功率MOSFET為2.2Ω650V,功率輸出18W,非常節省成本,高度集成度高性價比,是一款機頂盒和監控常用開關電源芯片,歡迎來電咨詢訂購!
開關電源芯片U6217S優勢特點:
①集成 650V MOSFET
②±4% 恒流、恒壓精度
③待機功耗<70mW
④多模式原邊控制方式
⑤工作無異音
⑥優化的動態響應
⑦可調式線損補償
⑧集成線電壓和負載電壓的恒流補償
⑨集成完善的保護功能:
短路保護 (SLP)
過溫保護 (OTP)
逐周期限流保護 (OCP)
前沿消隱 (LEB)
管腳懸空保護
VDD 過欠壓保護和箝位保護
⑩封裝形式 SOP-8
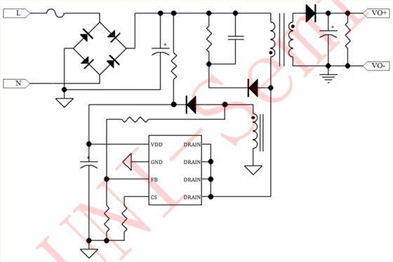
開關電源芯片U6217S引腳名稱:
1 VDD 芯片供電腳。
2 GND 芯片參考地。
3 FB系統反饋管腳。輔助繞組電壓經電阻分壓后送至FB管腳,用于CV模式輸出電壓控制及CC模式輸出電流控制。
4 CS 電流采樣輸入腳。
5、6、7、8 DRAIN 內置功率 MOSFET 漏極。
機頂盒和監控常用開關電源芯片U6217S內高精度的恒流、恒壓控制機制結合完備的保護功能,使其適用于小功率離線式電源應用中。可應用手機充電器、AC/DC 適配器、LED 照明驅動等領域,典型功率推薦:(175-265VAC)18W、(85-265VAC)15W 。與昂寶OB2530TCP、OB2576TCP這兩顆芯片腳位兼容,價格優勢明顯!
