1.制造商: 深圳市銀聯寶科技電子有限公司
2.標準包裝數: 2500
3.封裝:TO-92
4.類別: 光電器件 » LED器件 » LED發光二極管
5.無鉛情況/RoHS:符合
6.產品描述:內置高壓啟動PSR無輔助繞組LED恒流驅動芯片
二、LED驅動電源芯片U6112的概述:
包括高精度的恒流原邊控制器及功率MOSFET,專用于高可靠,極精簡外圍元器件的小功率LED照明。該芯片工作在原邊檢測和調整模式,可省略光耦、TL431;采用了快速DMOS自供電的專利技術可節省變壓器輔助繞組和高壓啟動電阻。該芯片提供了極為的自恢復保護功能,包含逐周期過流保護、開環保護、過溫保護、Rcs開/短路保護等。內置高壓啟動電路和極低的芯片功耗有助于獲取較高的工作效率。在恒流模式下,電流和輸出功率可通過CS腳的Rs電阻進行調節。
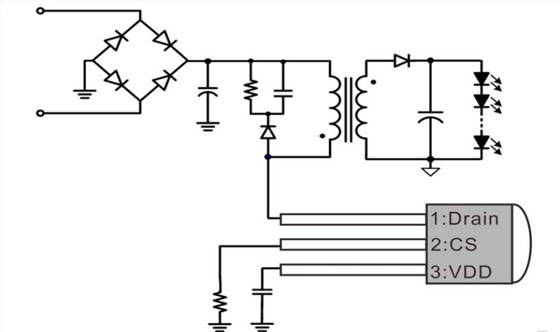
三、LED驅動電源芯片U6112的典型應用圖:
四、LED驅動芯片U6112的特性有:
1.內置650V高雪崩能力的功率MOSFET;
2.內置高壓軟啟動電路可節省外部啟動電阻;
3.原邊反饋和調節技術可節省光耦和TL431;
4.±快速自供電專利技術無需變壓器輔助繞組;
5.±專利的內置線電壓補償電路;
6.±3%LED恒流精度;◆恒流輸出值可調;
7.0.5%線電壓補償精度;
8.內置原邊電感量補償電路。
以上就是銀聯寶科技成本的LED驅動電源芯片U6112的相關內容,更多詳細資料,找銀聯寶科技。
