說到大家看球賽的方式,想必用電視和手機看球的占大多數,電視屏幕大看著舒服,手機可以隨心所欲一人獨享不怕打擾他人。而手機總會有電池消耗的問題,那么就需要一款舒心耐用的充電器ic,伴你度過歡樂時光!
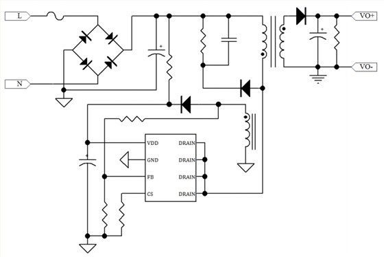
充電器icU6210是一款高性能原邊控制器,可提供高精度恒壓和恒流輸出性能,尤其適合于小功率離線式充電器應用中。在恒壓輸出模式中,U6210采用多模式工作方式,即調幅控制 (AM) 和調頻控制 (FM) 相結合,提高了系統的效率和可靠性。在恒流輸出模式中,芯片采用調頻控制方式,同時集成了線電壓和負載電壓的恒流補償。采用U6210可以工作無異音,同時可保證優異的動態性能。利用集成的線損補償功能,可獲得高性能的恒壓輸出表現。
充電器ic U6210主要特性:
&集成 650V MOSFET
&±4% 恒流、恒壓精度
&待機功耗<70mW
&多模式原邊控制方式
&優化的動態響應
&可調式線損補償
&集成線電壓和負載電壓的恒流補償
&集成完善的保護功能:短路保護 (SLP) 、過溫保護 (OTP) 、逐周期限流保護 (OCP) 、前沿消隱 (LEB) 、管腳懸空保護、VDD 過欠壓保護和箝位保護
&封裝形式 SOP-8
充電器icU6210適用于手機充電器、AC/DC 適配器和LED 照明驅動等應用場景。在手機充電器的應用中,電池與充電器之間一般會通過一定長度的電纜相連,由此也將導致輸送到電池端的電壓產生一定的電壓降。在U6210 內部存在由線損補償模塊控制的可調式電流源流出到與FB管腳相連的分壓電阻上并產生一定的電壓偏置信號。此電流正比于開關周期,而反比與輸出功率,所以在電纜上的電壓降可以被補償掉。隨著負載功率的降低,在FB上的偏置電壓將被提高。通過調節分壓電阻R1和R2的阻值可以調節實際補償量的大小。
充電器ic U6210管腳名稱:
1 VDD 芯片供電腳
2 GND 芯片參考地
3 FB系統反饋管腳。輔助繞組電壓經電阻分壓后送至 FB 管腳,用于CV 模式輸出電壓控制及CC模式輸出電流控制
4 CS 電流采樣輸入腳
5、6、7、8 DRAIN 內置功率 MOSFET 漏極
充電器icU6210環保節能,低耗高效,價格實惠,需要的小伙伴可電聯400-778-5088!
