輸入為交流、輸出為直流的電源變換器,就是我們經常接觸到的ac/dc電源。手機充電器、筆記本、平板電腦的電源適配器都是使用這種電源。dc/dc電源作為輸入電壓變化后輸出固定電壓的有用電壓轉換器,廣泛應用于數據通信、控制器設備等。開關電源芯片U6119就適用于所有小功率dcdc降壓應用中。
開關電源芯片U6119是一款高性能、采用QR- Buck 模式工作的原邊控制器,芯片內高精度的恒流、恒壓控制機制結合完備的保護功能,使其適用于中小功率dc-dc電源應用中。電動摩托/自行車控制器、高壓模擬/數字系統、汽車消費類電子/控制器、工業控制系統、電信電源系統、以太網 POE、逆變器系統、便攜式移動設備等應用領域均能看到U6119的身影。
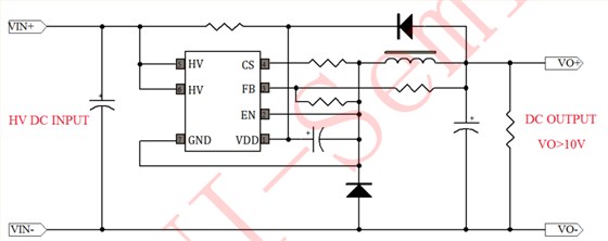
開關電源芯片U6119通過采樣分壓電阻上電壓變化得到輸出電壓反饋信號。內部的采樣保持模塊記錄下反饋誤差并通過內部的誤差運算放大器將其放大。恒壓控制模塊利用誤差運算放大器的輸出實現高精度的恒壓輸出。芯片內部恒壓輸出基準為高精度的2V,這樣就保證了高精度的輸出電壓。當系統進入到過載模式后,隨著輸出電壓的降低FB電壓將降低至內部輸出電壓基準2V以下,之后芯片也將自動進入到恒流輸出模式中。
開關電源芯片U6119集成高壓大功率 MOSFET,寬電壓輸入范圍20-200V,±3% 恒流、恒壓精度;待機功耗<30mW,多模式 PWM 控制方式,工作無異音;優化的動態響應、可調式線損補償,集成線電壓和負載電壓的恒流補償;集成完善的保護功能:短路保護 (SLP)、過溫保護 (OTP)、逐周期限流保護 (OCP)、前沿消隱 (LEB)、管腳懸空保護、VDD過欠壓保護和箝位保護;封裝形式 SOP-7,能直接替代 LM317、LM7815。
開關電源芯片U6119系列中,U6119SA內置100v MOS,低電壓輸入24v-80v,典型應用12v1A;U6119S內置200v MOS,低電壓輸入24v-170v,典型應用5v1A。15W輸出功率,現貨可提!
