顯示器對上班族和游戲黨都至關重要,有的品牌是相對貴一點,盡管明面參數上可能看不出多大區別,但做工、用料、品控等肯定會不一樣。硬件市場一直是如此。深圳銀聯寶科技研發的顯示器輔助電源開關電源芯片,在價格和參數配置的對比調研中,一直深得市場歡心。12W開關電源芯片U6210,推薦給有需要的客戶!
在原邊控制技術中,當原邊向副邊傳輸能量時,通過采樣與副邊繞組耦合的輔助繞組電壓,得到輸出電壓反饋信號。12W開關電源芯片U6210內部CV電壓采樣時序以及關鍵波形。隨著副邊電流的續流到零,存在著副邊續流二極管導通壓降VF的降低過程。為了通過輔助繞組獲得高精確的輸出電壓信息,芯片內的恒壓采樣模塊屏蔽了由于漏感導致的關斷時刻的電壓振蕩。當恒壓采樣過程結束時,內部的采樣保持模塊記錄下反饋誤差并通過內部的誤差運算放大器將其放大。原邊恒壓控制模塊利用誤差運算放大器的輸出實現高精度的恒壓輸出。芯片內部恒壓輸出基準為高精度的2V。
12W開關電源芯片U6210主要特點:
▲集成 650V MOSFET
▲±4% 恒流、恒壓精度
▲待機功耗<70mW
▲多模式原邊控制方式
▲工作無異音
▲優化的動態響應
▲可調式線損補償
▲集成線電壓和負載電壓的恒流補償
▲集成完善的保護功能:
短路保護 (SLP)
過溫保護 (OTP)
逐周期限流保護 (OCP)
前沿消隱 (LEB)
管腳懸空保護
VDD 過欠壓保護和箝位保護
▲封裝形式 SOP-8
為了滿足嚴苛的平均效率和待機功耗要求,12W開關電源芯片U6210采用了調幅控制(AM)和調頻控制(FM)結合的多模式控制技術。接近滿載輸出時,系統工作在調頻工作模式中;在輕重載條件下,系統工作在調頻工作和調幅工作模式中;當系統接近空載輸出時,系統工作在調頻模式中以降低待機功耗。利用此種控制技術,系統可以獲得低于70mW的待機功耗。
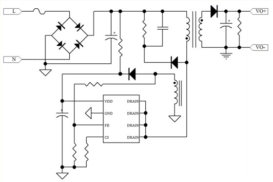
12W開關電源芯片U6210腳位特征:
1 VDD 芯片供電腳。
2 GND 芯片參考地。
3 FB系統反饋管腳。輔助繞組電壓經電阻分壓后送至FB管腳,用于CV模式輸出電壓控制及CC模式輸出電流控制。
4 CS 電流采樣輸入腳。
5、6、7、8 DRAIN 內置功率 MOSFET 漏極。
如果你正在開發新的適配器、充電器案子,需要一款高性能、多模式且采用斷續模式工作的原邊控制器開關電源芯片,那么深圳銀聯寶科技絕對是你的不二之選!
