龍年春節假期,新一輪備貨又開始咯!友恩半導體今天主推同步整流芯片U771X系列:U7710和U7711,性能參數一網打盡。
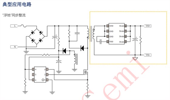
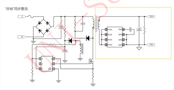
同步整流芯片U771X是一款用于替代反激變換器中副邊肖特基二極管的高性能同步整流功率開關,內置超低導通阻抗功率 MOSFET 以提升系統效率。U771X 支持“浮地”和“共地”同步整流兩種架構,同時支持系統斷續工作模式 (DCM) 和準諧振工作模式 (QR)。
同步整流芯片U771X內置 VDD 高壓供電模塊,無需 VDD 輔助繞組供電,降低了系統成本。U771X 內部集成有 VDD 欠壓保護功能和 VDD 電壓鉗位。
同步整流芯片U771X主要特性:
▲反激拓撲副邊同步整流功率開關
▲支持“浮地”和“共地”同步整流兩種拓撲
▲支持斷續工作模式 (DCM) 和準諧振工作模式(QR)
▲<300uA 超低靜態電流
▲內置 VDD 高壓供電模塊,無需 VDD 輔助繞組供電
▲內置 40V 功率 MOSFET
▲內部集成保護:
VDD 欠壓保護 (UVLO)
VDD 電壓鉗位 (>5mA 鉗位電流)
▲封裝信息 SOP-8
同步整流芯片U771X 典型應用:
▲反激變換器
▲充電器
同步整流芯片U771X管腳描述:
▲1、2、3 GND IC 參考地,同時也是內部功率 MOSFET 的源極
▲4 VDDIC 供電腳,推薦使用 0.1uF 瓷片電容
▲5、6、7、8 Drain 內置功率 MOSFET 漏極
同步整流芯片U771X 價格實惠性能穩定,后續供應有保障,技術服務一直在線,不可錯過!
