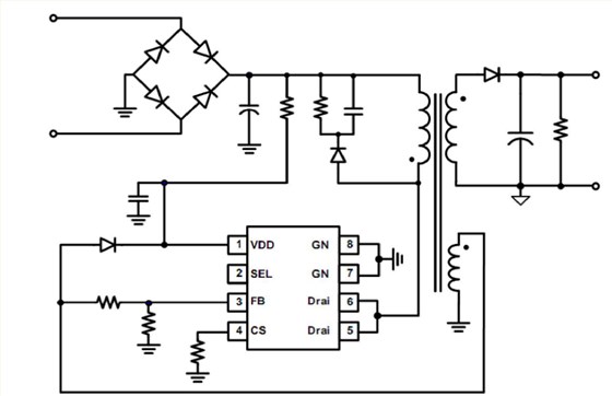
電路圖:
電源芯片U6117S是一款高性能原邊控制器,可提供高精度恒壓和恒流輸出性能,尤其適合于小功率離線式充電器應用中。也支持準諧振降壓型LED恒流輸出應用,僅需將SEL管腳短接到GND管腳即可。其優勢:
1..在恒壓輸出模式中,該芯片采用多模式工作方式,即調幅控制(AM)和調頻控制(FM)相結合,提高了系統的效率和可靠性。
2.在恒流輸出模式中,芯片采用調頻控制方式,同時集成了線電壓和負載電壓的恒流補償。
3.采用該芯片可以工作無異音,同時可保證優異的動態性能。利用集成的線損補償功能,可獲得高性能的恒壓輸出表現。
4.集成有多種保護功能:VDD欠壓保護(UVLO)、VDD過壓保護(OVP)、逐周期限流保護(OCP)、短路保護(SLP)和VDD箝位等。
小功率電源芯片U6117S的特點:
1.集成600V MOSFET,待機功耗70mW
2.支持反激和降壓型拓撲應用
3.反激原邊控制(SEL管腳懸空),多模式原邊控制方式
4.±4%恒流、恒壓精度,可調式線損補償
5.集成線電壓和負載電壓的恒流補償
6.封裝形式SOP-8
