想要開關電源設計好,電源IC內部懂
作為一名電源研發工程師,自然經常與各種芯片打交道,可能有的工程師對芯片的內部并不是很了解,不少同學在應用新的芯片時直接翻到Datasheet的應用頁面,按照推薦設計搭建外圍完事。如此一來即使應用沒有問題,卻也忽略了更多的技術細節,對于自身的技術成長并沒有積累到更好的經驗。
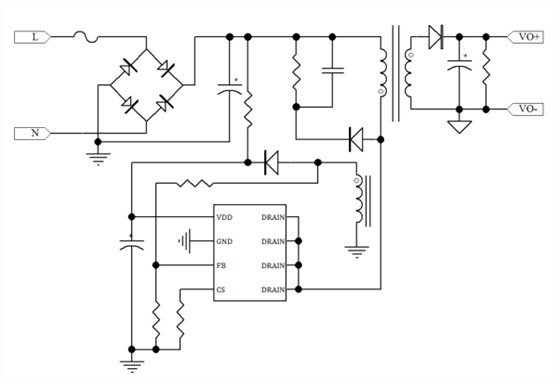
AC-DC電源芯片TB6818的內部結構:
①TB6818是一個高性能、高度集成QR(準諧振模式)原邊控制(PSR)小功率開關電源IC。
②TB6818專有super-QR / PSRTM控制效率高、低電磁干擾,可確保系統滿足EPS 6級能效標準。
③TB6818內置電纜補償功能。
④TB6818使用VCS多模式控制來提率和可靠性,并降低音頻噪聲與輕載功。
⑤TB6818還集成了“輸出短路頻率限制和VCS限制”短路發生時限制MOS功率及MOSFET Vds峰值。
⑥TB6818集成多種保護功能:FB短保護,欠壓鎖定(UVLO),VDD過壓保護(VDD OVP)、輸出過壓保護(OVP輸出),軟啟動,逐周期限流((OCP),拼腳開路保護。
⑦TB6818采用較小的SOP7封裝,內置3A 650V功率MOSFET。TB6818滿足EPS 6級
⑧TB6818采用專有的驅動開通方式和谷底導通方式,極大的提高了效率和降低了EMI諧波分量。
⑨TB6818內置高低壓平衡補償,CC和CV精度達±5%。
TB6818的結構圖:
以上就是一顆AC-DC電源芯片TB6818內部的大概結構了,也是皮毛知識復習了一下,如果想要了解更多,那就趕緊聯系銀聯寶科技吧。銀聯寶是您電源芯片的平臺,Elanpo銀聯寶科技二十年專心于各類芯片開發規劃,低功耗高功率的電源計劃取得廣大客戶認可,并成功的在商場投入使用,銀聯寶本著低價格、高功率,低功率,應的主旨,向商場推送電源芯片, 一起,咱們將為您供給、方便、理想的服務,elanpo銀聯寶團隊將為您供給合理的建議。www.ikbgh.cn
