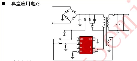
客戶總想要成本,性能又穩定的電源方案,那市場到底有沒有兩者都能兼顧的方案呢,下面介紹下銀聯寶科技的一款5V2A電源方案芯片。
5V2A電源主芯片U6315型號是一款高性能、低成本、QR 模式原邊控制器,可提供高精度恒壓和恒流輸出性能,尤其適合于小功率離線式充電器應用中。在恒壓輸出模式中,電源主芯片U6315 采用多模式加QR 控制,調幅控制(AM)和調頻控制(FM)相結合,提高了系統的效率和可靠性。在恒流輸出模式中,芯片采用調頻控制方式,同時集成了線電壓和負載電壓的恒流補償。5V2A電源主芯片U6315 采用可以工作無異音,同時可保證優異的動態性能。利用集成的線損補償功能,可獲得高性能的恒壓輸出表現。5V2A電源主芯片U6315型號集成有多種保護功能:VDD 欠壓保護(UVLO)、VDD 過壓保護(OVP)、逐周期限流保護(OCP)、短路保護(SLP)、管腳懸空保護和 VDD 鉗位等。
5V2A的同步整流芯片U771X是一款用于替代反激變換器中副邊肖特基二極管的高性能同步整流功率開關,內置導通阻抗功率 MOSFET 以提升系統效率。5V2A的同步整流芯片U771X支持“浮地”和“共地”同步整流兩種架構,同時支持系統斷續工作模式 (DCM) 和準諧振工作模式 (QR)。5V2A的同步整流芯片U771X內置 VDD 高壓供電模塊,無需 VDD 輔助繞組供電,降低了系統成本。后U771X芯片 內部集成有 VDD 欠壓保護功能和 VDD電壓鉗位。


