-
A+C口的18WPD快充協議IC U7636
支持 USB Type-A 和 Type-C 雙口工作模式
PDO 電壓:5V,9V,12V
支持 Apple 2.4A 充電規范
性,過壓/欠壓保護,過流保護,過溫保護
封裝: TSSOP-16全國服務熱線:13316805165
A+C口的18WPD快充協議IC U7636 的特性:
1.USB PD3.0 認證 TID:1505
2.支持 USB Type -C 協議
- 配置為 DFP(Source)
- 廣播 3A/1.5A 電流
3.支持 USB Power Delivery(PD)3.0 協議
- 集成完整 PD3.0 分層通信協議
- PDO 電壓:5V,9V(U7636A)
- PDO 電壓:5V,9V,12V(U7636B)
-輸出功率高 36W
4.支持 Quick Charge 3.0/2.0 協議
5.支持華為 FCP/SCP 協議
6.支持三星 AFC 協議
7.支持 USB BC1.2 DCP
8.支持 Apple 2.4A 充電規范
9.集成 VBUS 通路低阻抗功率開關管
10.內置 VBUS Discharge 功能
11.支持線損補償功能
12.支持 USB Type-A 和 Type-C 雙口工作模式
13.性
- 過壓/欠壓保護
- 過流保護
- 過溫保護
14.CC1/CC2/DP/DM 過壓保護
15.ESD 特性± 4KV
16. 封裝: TSSOP-16
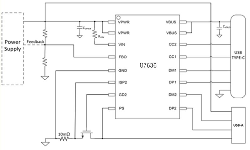
A+C口的18WPD快充協議IC U7636 的應用簡圖
技術團隊,溝通
有從事電源行業20年以上經驗的應用工程師團隊;
工程師擁有一線電源大廠從事研發電源方案經歷,曾服務冠德,茂碩,航嘉等公司;
研發部門由一批海歸博士和國內高校從事電源研發芯片資深研究人員組成;
多項電源方案應用性專利,創新技術
銀聯寶強大的研發團隊,積累了眾多一線電源應用方案經驗,研發成果榮獲多項電源方案應用性專利,可為企業定制性能更優的解決方案。
一線精良設備,精密檢測
銀聯寶擁有電子負載儀、 EMI測試設備、雷擊測試儀、ESD測試儀 AC電源、功率計、示波器、高低溫測試等精良設備,為電源方案設計提供品質保障。
精細化服務,貼心周到

銀聯寶提供電源DEMO設計整套方案,包括方案認證,EMI測試調機樣機測試承認,小批量產跟線服務,批量出廠后質量反饋跟蹤。為中小電源廠提供工廠管理工藝標準流程,根據需求開發優化的電源方案定制方案,并提供整套方案調試,符合安規要求。
深圳市銀聯寶電子科技有限公司
全國咨詢熱線:13316805165
傳真:0755-23086550
QQ:3410408081
郵箱:001@elanpo.com
地址:廣東省深圳市寶安區寶安大道4018號華豐國際商務大廈2501-2508
采購:A+C口的18WPD快充協議IC U7636
- *聯系人:
- *手機:
- 公司名稱:
- 郵箱:
- *采購意向:
-
*驗證碼:



電 話:133-1680-5165 Q Q:1957650001
傳 真:0755-23086550 郵 箱:001@elanpo.com
地址:廣東省深圳市寶安區寶安大道4018號華豐國際商務大廈2501-2508
銀聯寶手機
招賢納士