-
U7710同步整流芯片
反激拓撲副邊同步整流功率開關
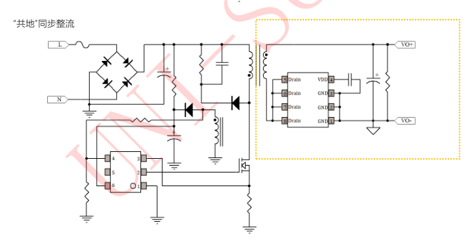
支持“浮地”和“共地”同步整流兩種拓撲
支持斷續工作模式 (DCM) 和準諧振工作模式(QR)
<300uA 靜態電流
內置 VDD 高壓供電模塊,無需 VDD 輔助繞組供電全國服務熱線:13316805165
U7710同步整流芯片是一款用于替代反激變換器中副邊肖特基二極管的高性能同步整流功率開關,內置導通阻抗功率 MOSFET 以提升系統效率。
U7710同步整流芯片支持“浮地”和“共地”同步整流兩種架構,同時支持系統斷續工作模式 (DCM)和準諧振工作模式 (QR)。U7710同步整流芯片內置 VDD 高壓供電模塊,無需 VDD 輔助繞組供電,降低了系統成本。
U7710同步整流芯片內部集成有 VDD 欠壓保護功能和 VDD電壓鉗位。
U7710同步整流芯片主要特點:
反激拓撲副邊同步整流功率開關
支持“浮地”和“共地”同步整流兩種拓撲
支持斷續工作模式 (DCM) 和準諧振工作模式(QR)
<300uA 靜態電流
內置 VDD 高壓供電模塊,無需 VDD 輔助繞組供電
內置 40V 功率 MOSFET
內部集成保護:
VDD 欠壓保護 (UVLO)
VDD 電壓鉗位 (>5mA 鉗位電流)
技術團隊,溝通
有從事電源行業20年以上經驗的應用工程師團隊;
工程師擁有一線電源大廠從事研發電源方案經歷,曾服務冠德,茂碩,航嘉等公司;
研發部門由一批海歸博士和國內高校從事電源研發芯片資深研究人員組成;
多項電源方案應用性專利,創新技術
銀聯寶強大的研發團隊,積累了眾多一線電源應用方案經驗,研發成果榮獲多項電源方案應用性專利,可為企業定制性能更優的解決方案。
一線精良設備,精密檢測
銀聯寶擁有電子負載儀、 EMI測試設備、雷擊測試儀、ESD測試儀 AC電源、功率計、示波器、高低溫測試等精良設備,為電源方案設計提供品質保障。
精細化服務,貼心周到

銀聯寶提供電源DEMO設計整套方案,包括方案認證,EMI測試調機樣機測試承認,小批量產跟線服務,批量出廠后質量反饋跟蹤。為中小電源廠提供工廠管理工藝標準流程,根據需求開發優化的電源方案定制方案,并提供整套方案調試,符合安規要求。
深圳市銀聯寶電子科技有限公司
全國咨詢熱線:13316805165
傳真:0755-23086550
QQ:3410408081
郵箱:001@elanpo.com
地址:廣東省深圳市寶安區寶安大道4018號華豐國際商務大廈2501-2508
采購:U7710同步整流芯片
- *聯系人:
- *手機:
- 公司名稱:
- 郵箱:
- *采購意向:
-
*驗證碼:
跟此產品相關的產品 / Related Products
深圳市銀聯寶電子科技有限公司
服務熱線:13316805165
傳真:0755-23086550
QQ:3410408081
地址:廣東省深圳市寶安區寶安大道4018號華豐國際商務大廈2501-2508



電 話:133-1680-5165 Q Q:1957650001
傳 真:0755-23086550 郵 箱:001@elanpo.com
地址:廣東省深圳市寶安區寶安大道4018號華豐國際商務大廈2501-2508
銀聯寶手機
招賢納士