LED驅動芯片結構和工作原理詳解
LED驅動芯片,一個使用到LED照明中的驅動芯片,起到智能轉換和控制的作用。作為電子行業來說使用LED驅動芯片是為熟悉的了,但是對于不是電子行業的的用戶來就使用和了解還是多少有點困難,今天讓銀聯寶科技來給詳細介紹一下這個LED驅動芯片吧!
伴隨著LED驅動芯片的廣泛應用,LED驅動芯片IC的需求也迅猛增長,LED驅動芯片IC主要用于為LED提供和持久的驅動。它除了為LED提供簡單的控制與驅動外,一般還具有智能管理功能,從而實現高性能、率和各種管理及保護功能。驅動IC的需求和LED的應用密不可分,LED的應用和技術發展,也推動了驅動IC的發展。反過來,驅動技術又是提升LED照明應用水平的關鍵所在。因此,如何設計出效率更高,功能更強,結構更優的LED驅動芯片IC,將是集成電路設計的新一輪挑戰。
1 )銀聯寶led驅動芯片結構及其工作原理
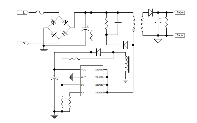
基于開關電源芯片的市場需要,銀聯寶科技設計了一款LED照明驅動芯片,圖1所示是基于0.5μm CMOS標準工藝設計出的一種不隨溫度、電源電壓以及工藝變化的高電源抑制比的基準電壓源結構。該芯片采用脈頻調制方式,通過設計電阻-電容網絡結構來實現電路的固定關斷時間功能,這種電路結構避免了采用斜坡補償技術,在實現電路的PFM調制的同時也簡化了電路結構,提高了芯片效率。該芯片內部包括振蕩器、PFM控制電路、基準電壓源、偏置電路、RS觸發器、過壓、欠壓保護電路及驅動電路等核心模塊。
LED驅動芯片工作時,該芯片通過一個功率MOSFET和一采樣電阻來將負載變化情況反饋到芯片內部。反饋信號先經過低通濾波器,把高頻開關噪音濾掉,再以電流形式輸入到Current COMP模塊進行調節,以產生控制R-S觸發器R端的信號,然后和Oscillator PFM Regulator模塊產生的S端信號共同控制驅動電路,后驅動功率MOFFET來實現電路的PFM調節。除此之外,Error AMP模塊、AMP模塊及Voltage COMP三模塊則構成過流保護電路,當流過外部電路的電流過大時,通過外部電阻的電流檢測,并使反饋電壓與恒定基準電壓作比較,再將兩者差值比較放大,以產生控制RS鎖存器CtR端的信號,并強制關斷功率管。這種前饋保護模式可有效降低電流過大時燒毀功率管和LED燈的風險,可對電路起到可靠的保護作用。而Low Voltage Lockout保護模塊可在輸入電壓低于正常工作電壓2.5V情況下強制關斷芯片,從而防止芯片在低電壓下工作,提高電源的利用效率。
2) 銀聯寶led驅動芯片芯片主要電路模塊設計
2.1 銀聯寶LED驅動芯片自偏置電路
圖2所示電路為該IC的自偏置電路,芯片自行啟動將提供兩個偏置,分別為N管偏置和P管偏置,從而為各個模塊提供偏置電壓。
通過上面的介紹,相信各位對銀聯寶科技LED驅動芯片也有了一個鮮明的認識了,選擇一款好的LED驅動芯片先要選擇一家好的LED驅動芯片IC廠家,銀聯寶科技期待你的光臨!
下一篇:IC廠家支招常用開關電源芯片的正確選擇技巧
上一篇:LED驅動芯片廠家哪家好?








電 話:133-1680-5165 Q Q:1957650001
傳 真:0755-23086550 郵 箱:001@elanpo.com
地址:廣東省深圳市寶安區寶安大道4018號華豐國際商務大廈2501-2508
銀聯寶手機
招賢納士