Y電容的充電器電源芯片方案TB5806
我們在使用充電器充電時如遇上劣質充電器會出現無故自燃,爆手機,甚是在充電時觸電,引發人員傷亡。這一切都源于充電器中的電子元器件的品質問題。我們在手機充電器電源芯片方案中可以選擇有Y電容的電源芯片,來解決電子元器件的品質問題。y電容用于共模濾波,它接于L于地或N于地之間,濾除L對地或N對地的共模信號,y電容通常對稱使用,作用主要有旁路;去耦;濾波;儲能。
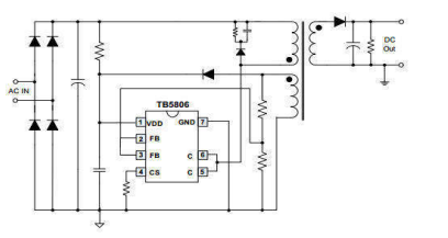
充電器電源芯片方案TB5806電路圖
銀聯寶科技小編給大家推薦一款擁有Y電容的充電器電源芯片方案——TB5806,TB5806是內置700V功率三極管的原邊準諧振多模式控制(QR-PSR),內置線損補償和線電壓、電感恒流補償技術,采用PWM調試技術,提供優化的環路控制,具有非常高的穩定性和無異音。
采用TB5806設計系統,無需光耦,可省去次級反饋控制、環路補償,精簡電路、降低成本。TB5806適用3~6W輸出功率,保護功能完善。具有VDD欠壓保護、過熱保護、CS管腳開路保護等功能。
手機充電器y電容用于共模濾波,原則上是容量越大越好.但實際上容量越大漏電流越大,y電容通交流阻直流.所以我們為手機充電時要選擇質量好的充電器,而y電容的品質好壞直接充電器的質量。更多充電器電源芯片資訊,請關注銀聯寶科技。
以上文章由銀聯寶科技提供。銀聯寶科技是您充電器電源芯片方案的平臺,我們將為您提供、方便、理想的服務,為您提供實惠的價格。銀聯寶團隊將為您提供合理的建議。咨詢電話:400-778-5088 網址:http://www.ikbgh.cn









電 話:133-1680-5165 Q Q:1957650001
傳 真:0755-23086550 郵 箱:001@elanpo.com
地址:廣東省深圳市寶安區寶安大道4018號華豐國際商務大廈2501-2508
銀聯寶手機
招賢納士