一顆快充協議IC:支持雙功率、支持全協議
銀聯寶科技一顆快充協議IC U7636支持雙功率、支持全協議,這顆芯片具有如下特色:
一、協議齊全:
1.支持 USB Type -C 協議:a.配置為 DFP(Source)b.廣播 3A/1.5A 電流
2.支持 USB Power Delivery(PD)3.0 協議
3.集成完整 PD3.0 分層通信協議:a.PDO 電壓:5V,9V(U7636A)b.PDO 電壓:5V,9V,12V(U7636B)
4.支持 Quick Charge 3.0/2.0 協議
5.支持華為 FCP/SCP 協議
6.支持三星 AFC 協議
7.支持 USB BC1.2 DCP
8.支持 Apple 2.4A 充電規范
9.支持 USB Type-A 和 Type-C 雙口工作模式
二、一芯雙功率:
1.當5輸出時滿載可以輸出(5V 2.5A)功率,
2.當12V輸出時(12V 1.5A)功率
三、應用領域豐富:快充協議IC U7636應用于USB Type-C、USB Power Delivery(PD)3.0、QC3.0/2.0 CLASS A快充協議、華為 FCP/SCP 快充協議、三星 AFC 快充協議、BC1.2 DCP 以及蘋果設備2.4A充電規范的多功能 USB 端口控制器, 為 AC-DC 適配器、移動電源、車載充電器等設備提供完整的 A+C 端口充電解決方案。
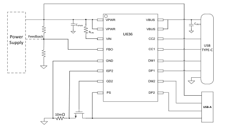
四、應用圖:








電 話:133-1680-5165 Q Q:1957650001
傳 真:0755-23086550 郵 箱:001@elanpo.com
地址:廣東省深圳市寶安區寶安大道4018號華豐國際商務大廈2501-2508
銀聯寶手機
招賢納士