閉眼入的5v2.4a電源管理ic ——U6210
為什么年輕人更喜歡智能投影?首先是新鮮,智能投影體積小巧,移動便攜,具有大畫面以及系統的優勢;其次就是經常會推出優惠套餐,價格更合理。誰能拒絕一款品質又好、價格又劃算的好產品呢?就像這顆適用于智能投影適配器的5v2.4a電源管理ic U6210,好口碑、閉眼入!
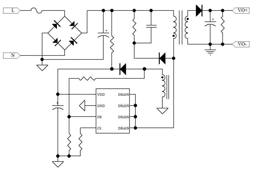
在芯片開始工作之前,5v2.4a電源管理ic U6210僅消耗典型值為2uA的啟動電流,超低啟動電流可以幫助增加啟動電阻阻值以達到降低由直流母線流經啟動電阻的電流和待機功耗的目的。當VDD電壓超過開啟電壓(典型值 16.3V),U6210 開始工作并且芯片工作電流上升到1mA(典型值)。之后VDD電容持續為芯片供電直至輸出電壓建立后由輔助繞組為芯片供電。一旦芯片進入到超低頻工作模式中,U6210 的工作電流便進一步降低到0.5mA(典型值),以幫助降低系統待機功耗。
5v2.4a電源管理ic U6210利用FB管腳電壓和CS 管腳電壓的時序關系,可以實現高精度的恒流輸出控制。在恒壓輸出模式當系統輸出功率增加且接近恒流輸出控制點時,原邊電感電流達到其最大值。原邊電感電流、變壓器匝比、副邊消磁時間(Tdem)和開關周期時間(Tsw)決定了副邊平均輸出電流。如果忽略漏感的影響,副邊平均輸出電流的公式可來電索取。當輸出電流達到原邊恒流控制模塊的輸出基準時,芯片將進入調頻工作模式中,無論輸出電壓低于恒壓輸出基準或者具體如何,只要VDD電壓不低于其關斷電壓芯片將持續工作。
5v2.4a電源管理ic U6210在恒壓輸出模式中,采用多模式工作方式,即調幅控制 (AM) 和調頻控制 (FM) 相結合,提高了系統的效率和可靠性。在恒流輸出模式中,芯片采用調頻控制方式,同時集成了線電壓和負載電壓的恒流補償。采用U6210可以工作無異音,同時可保證優異的動態性能。利用集成的線損補償功能,可獲得高性能的恒壓輸出表現。
深圳銀聯寶科技的多款電源管理ic、充電器ic,可以讓不同的用戶群體找到適合自己的ic。銷售和服務自成一體,成本優勢明顯,便利又便捷!








電 話:133-1680-5165 Q Q:1957650001
傳 真:0755-23086550 郵 箱:001@elanpo.com
地址:廣東省深圳市寶安區寶安大道4018號華豐國際商務大廈2501-2508
銀聯寶手機
招賢納士