開關電源芯片U6119可應用在電動車、汽車等控制器系統中
電動車控制器是用來控制電動車電機的啟動、運行、進退、速度、停止以及電動車的其它電子器件的核心控制器件。開關電源芯片 U6119可應用在電動車、汽車等控制器系統中,SOP-7封裝,能直接替代 LM317、LM7815 或電阻型降壓線性穩壓器,具有高效率,高集成度,高可靠性等特性,能大大降低整體控制器的溫度,使整個系統更可靠工作,降低生產成本。
開關電源芯片 U6119應用領域:
● 電動摩托/自行車控制器
● 高壓模擬/數字系統
● 工業控制系統
● 汽車消費類電子/控制器
● 工業控制系統
● 電信電源系統
● 以太網 POE
● 逆變器系統
● 便攜式移動設備
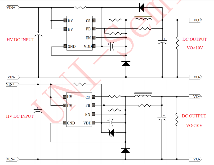
開關電源芯片 U6119是一款高性準諧振 Buck 控制器,可提供高精度恒壓和恒流輸出性能,適用于所有小功率 DCDC 降壓的應用中。在恒壓輸出模式中,U6119 采用多模式工作方式,即調幅控制和調頻控制相結合,提高了系統的效率和可靠性。在恒流輸出模式中,芯片采用調頻控制方式,同時集成了輸入電壓和負載電壓的恒流補償。
采用開關電源芯片 U6119可以工作無異音,同時可保證優異的動態性能。利用集成的線損補償功能,在DC 大電流輸出時可獲得高性能的恒壓輸出表現。U6119 集成有多種保護功能:VDD 欠壓保護 (UVLO)、VDD 過壓保護 (OVP)、逐周期限流保護 (OCP)、短路保護 (SLP) 和 VDD 箝位等。
開關電源芯片 U6119管腳功能描述:
1 VDD 芯片供電腳。
2 EN 短接至 GND,使能控制腳。
3 FB系統反饋管腳,用于 CV 模式輸出電壓控制及 CC 模式輸出電流控制。
4 CS 電流采樣輸入腳。
5-6 HV 內置功率 MOSFET 漏極。
7 GND 芯片參考地。








電 話:133-1680-5165 Q Q:1957650001
傳 真:0755-23086550 郵 箱:001@elanpo.com
地址:廣東省深圳市寶安區寶安大道4018號華豐國際商務大廈2501-2508
銀聯寶手機
招賢納士