U6117S的小功率電源芯片
U6117S的小電源芯片,只要是8腳芯片都能代換或者改電路代換。改電路只要配有兩個元件,其它元件原電路都有,拆除多余元件,一改成功。我改過很多,算得是小電源芯片的摸塊。有些元件不一定隨時都有,配有這元件可改百分之九十以上的電源電路。DVD電源、唱戲機充電器、手機充電器、移動小電視電源等。
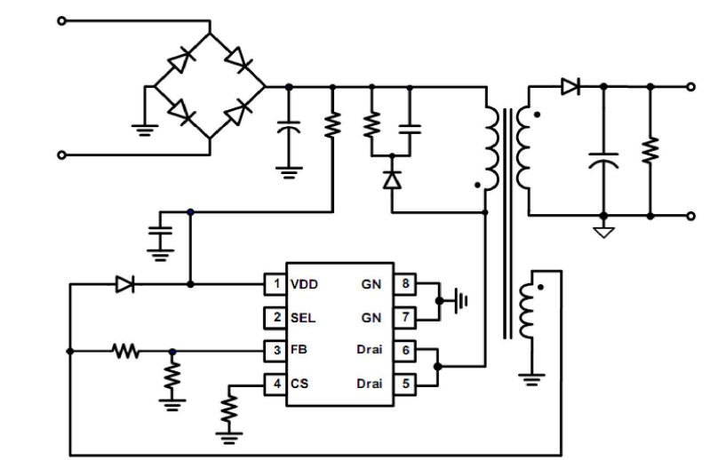
電路圖:
電源芯片U6117S是一款高性能原邊控制器,可提供高精度恒壓和恒流輸出性能,尤其適合于小功率離線式充電器應用中。也支持準諧振降壓型LED恒流輸出應用,僅需將SEL管腳短接到GND管腳即可。其優勢:
1..在恒壓輸出模式中,該芯片采用多模式工作方式,即調幅控制(AM)和調頻控制(FM)相結合,提高了系統的效率和可靠性。
2.在恒流輸出模式中,芯片采用調頻控制方式,同時集成了線電壓和負載電壓的恒流補償。
3.采用該芯片可以工作無異音,同時可保證優異的動態性能。利用集成的線損補償功能,可獲得高性能的恒壓輸出表現。
4.集成有多種保護功能:VDD欠壓保護(UVLO)、VDD過壓保護(OVP)、逐周期限流保護(OCP)、短路保護(SLP)和VDD箝位等。
小功率電源芯片U6117S的特點:
1.集成600V MOSFET,待機功耗70mW
2.支持反激和降壓型拓撲應用
3.反激原邊控制(SEL管腳懸空),多模式原邊控制方式
4.±4%恒流、恒壓精度,可調式線損補償
5.集成線電壓和負載電壓的恒流補償
電路圖:
電源芯片U6117S是一款高性能原邊控制器,可提供高精度恒壓和恒流輸出性能,尤其適合于小功率離線式充電器應用中。也支持準諧振降壓型LED恒流輸出應用,僅需將SEL管腳短接到GND管腳即可。其優勢:
1..在恒壓輸出模式中,該芯片采用多模式工作方式,即調幅控制(AM)和調頻控制(FM)相結合,提高了系統的效率和可靠性。
2.在恒流輸出模式中,芯片采用調頻控制方式,同時集成了線電壓和負載電壓的恒流補償。
3.采用該芯片可以工作無異音,同時可保證優異的動態性能。利用集成的線損補償功能,可獲得高性能的恒壓輸出表現。
4.集成有多種保護功能:VDD欠壓保護(UVLO)、VDD過壓保護(OVP)、逐周期限流保護(OCP)、短路保護(SLP)和VDD箝位等。
小功率電源芯片U6117S的特點:
1.集成600V MOSFET,待機功耗70mW
2.支持反激和降壓型拓撲應用
3.反激原邊控制(SEL管腳懸空),多模式原邊控制方式
4.±4%恒流、恒壓精度,可調式線損補償
5.集成線電壓和負載電壓的恒流補償
6.封裝形式SOP-8
下一篇:成本的LED驅動電源芯片U6112
上一篇:5V小家電的開關電源芯片電路圖








電 話:133-1680-5165 Q Q:1957650001
傳 真:0755-23086550 郵 箱:001@elanpo.com
地址:廣東省深圳市寶安區寶安大道4018號華豐國際商務大廈2501-2508
銀聯寶手機
招賢納士