5v2A適配器電源ic U9513B屢獲肯定
很明顯,電源適配器和充電器是兩個概念。前者是電源開關,用于提供能源;后者是用來給電池充電的,會根據電池容量和充電特性進行分階段充電。但是兩者都會用到的電源ic,很多時候可以通用,比如今天介紹的這顆5v2A適配器電源ic U9513B,同樣也適用于手機充電器。
5v2A適配器電源ic U9513B在芯片開始工作之前,ic僅消耗典型值為1.1uA 的啟動電流,超低啟動電流可以幫助增加啟動電阻阻值以達到降低待機功耗的目的。當VDD電壓超過開啟電壓 (典型值 10V),U9513B開始工作并且芯片工作電流上升到 0.18mA (典型值)。之后VDD電容持續為芯片供電直至輸出電壓建立后由輔助繞組為芯片供電。一旦芯片進入到超低頻工作模式中,U9513B的工作電流便進一步降低到0.14Ma (典型值),以幫助降低系統待機功耗。
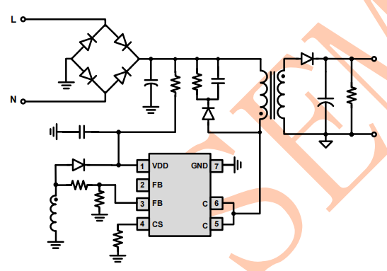
5v2A適配器電源ic U9513B采用SOP-7封裝,腳位說明如下:
1 VDD 芯片供電腳。
2、3 FB 系統反饋管腳。輔助繞組電壓經電阻分壓后送至FB管腳,用于CV模式輸出電壓控制及CC模式輸出電流控制。
4 CS 電流采樣輸入腳。
5-6 C 內置功率三極管集電極。
7 GND 芯片參考地。
5v2A適配器電源ic U9513B利用 FB 管腳電壓和 CS 管腳電壓的時序關系,可以實現高精度的恒流輸出控制。在恒壓輸出模式當系統輸出功率增加且接近恒流輸出控制點時,原邊電感電流達到其最大值。原邊電感電流、變壓器匝比、副邊消磁時間(Tdem)和開關周期時間(Tsw)決定了副邊平均輸出電流。如果忽略漏感的影響,副邊平均輸出電流的公式可看詳細資料圖所示。當輸出電流達到原邊恒流控制模塊的輸出基準時,芯片將進入調頻工作模式中,無論輸出電壓低于恒壓輸出基準或者具體如何,只要 VDD 電壓不低于其關斷電壓芯片將持續工作。
在5v2A適配器電源ic U9513B內部,在恒流輸出模式中消磁時間Tdem 與開關周期 Tsw 的比例被嚴格控制為 4/7。所以實際平均輸出電流可以表示為:
其中:
N----變壓器原邊繞組與副邊繞組匝數之比。
Rcs---連接于三極管發射極與 GND 之間的采樣電
與5v2A適配器電源ic U9513B同系列的ic,還有U9513A-12W、U9513B-10W、U9513C-7.5W、U9513D-6W、U9513E-5W多個功率段可選擇,建議您直接電聯400-778-5088,獲取對應方案資料!








電 話:133-1680-5165 Q Q:1957650001
傳 真:0755-23086550 郵 箱:001@elanpo.com
地址:廣東省深圳市寶安區寶安大道4018號華豐國際商務大廈2501-2508
銀聯寶手機
招賢納士