好“芯”分享——LED照明驅動芯片U6217SL
由于LED光源在健康照明領域具備綠色節能、使用壽命長、無頻閃等優勢,因此健康LED照明未來具有極大發展前景。我們常用的LED照明驅動芯片U6217SL內置環路補償,省去額外的補償或濾波電容,提高系統效率優化降頻曲線和減小電磁干擾,可實現輕載無異音,分享給大家!
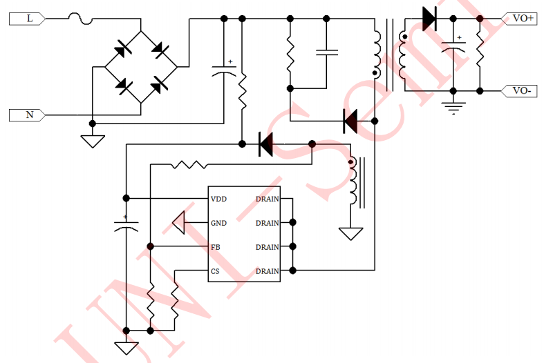
LED照明驅動芯片U6217SL典型功率推薦:
175-265VAC:18W
85-265VAC:15W
封裝形式 SOP-8,管腳如下:
1 VDD 芯片供電腳。
2 GND 芯片參考地。
3 FB系統反饋管腳。輔助繞組電壓經電阻分壓后送至 FB 管腳,用于CV 模式輸出電壓控制及 CC 模式輸出電流控制。
4 CS 電流采樣輸入腳。
5、6、7、8 DRAIN 內置功率 MOSFET 漏極。
LED照明驅動芯片U6217SL主要特點:
&集成 650V MOSFET
&±4% 恒流、恒壓精度
&待機功耗<70mW
&多模式原邊控制方式
&工作無異音
&優化的動態響應
&可調式線損補償
&集成線電壓和負載電壓的恒流補償
&集成完善的保護功能:
短路保護 (SLP)
過溫保護 (OTP)
逐周期限流保護 (OCP)
前沿消隱 (LEB)
管腳懸空保護
VDD 過欠壓保護和箝位保護
LED照明驅動芯片U6217SL在芯片開始工作之前,僅消耗典型值為2uA 的啟動電流,超低啟動電流可以幫助增加啟動電阻阻值以達到降低由直流母線流經啟動電阻的電流和待機功耗的目的。當VDD 電壓超過開啟電壓(典型值 16.3V), U6217SL 開始工作并且芯片工作電流上升到 1mA(典型值)。之后 VDD 電容持續為芯片供電直至輸出電壓建立后由輔助繞組為芯片供電。一旦芯片進入到超低頻工作模式中,U6217SL 的工作電流便進一步降低到 0.5mA(典型值),以幫助降低系統待機功耗。高效又可靠,值得入手!








電 話:133-1680-5165 Q Q:1957650001
傳 真:0755-23086550 郵 箱:001@elanpo.com
地址:廣東省深圳市寶安區寶安大道4018號華豐國際商務大廈2501-2508
銀聯寶手機
招賢納士